Description
i-GEL is a professional-grade 37% phosphoric acid etching gel designed for fast and precise surface preparation in restorative dentistry.Its optimal viscosity ensures easy and controlled application, minimizing material waste and enhancing workflow efficiency.
Brightly colored for excellent visibility, i-GEL ensures reliable etching results with minimal effort.
Clinical indications:
Tooth enamel and / or dentin etching.
Key Features:
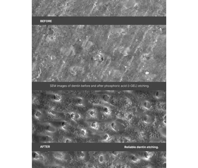
37% phosphoric acid effectively removes the smear layer and opens dentinal tubules for optimal bonding;
Thixotropic, self-leveling formula prevents dripping and ensures easy application;
Contrasting blue color makes it easy to see and rinse off;
Rinses cleanly without residue, optimizing adhesive bonding;
Fast application with 15 seconds for dentin and 30 seconds for enamel;
User-friendly syringe and tips ensure precise placement and minimal waste.
Package: 12 g syringe, 10 tips.















